Tuotteet
GGD -solmiotanko
  • GGD -solmiotankoGGD -solmiotanko
  • GGD -solmiotankoGGD -solmiotanko
  • GGD -solmiotankoGGD -solmiotanko

GGD -solmiotanko

Yitai-lukko varmistaa lukkojen ja GGD-solmitangon erinomaisen suorituskyvyn sen hienostuneella tuotantojärjestelmällä. TIETOJEN SILMÄT SATAVAT ovat tärkeä GGD-tyyppisen matalan jännitteen kiinteän kytkimen rakenteellinen komponentti, jolle on ominaista yksinkertaisuus ja käytännöllisyys.


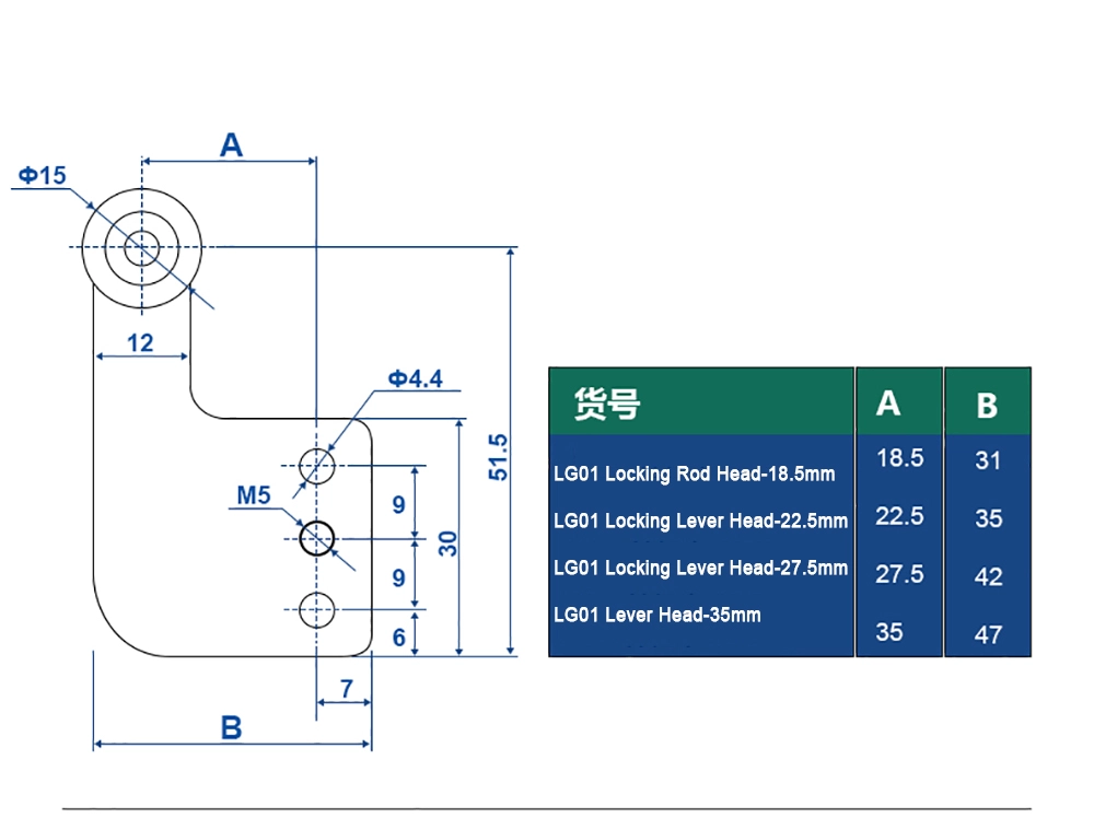
Tuotemalli LG -sarjan lukitusvipu
materiaalit Rauta
väri rauta
Tuoteominaisuudet Joustava kierto/sakeutunut paneeli/korroosio ja kestävä
Hakemus Jakelulaatikko/kaappi/kaappi/kaikenlaiset teollisuuslaatikot


Yitai Lockin Kiinan GGD -sidostangot viedään ympäri maailmaa. GGD -solmiotangoja käytetään pääasiassa kaapin sisäisten sähkökomponenttien kiinnittämiseen, tukemiseen ja kytkemiseen jakelukaapin rakenteellisen stabiilisuuden ja sähköturvallisuuden varmistamiseksi.


Mitat:

Hiiliteräksen (rauta) GGD -solmutangon oletuspituus on 1000 mm, muut pituudet ja halkaisijat voidaan räätälöidä.


Piirteet

GGD -solmiotangoja käytetään pääasiassa kaapin rungon kiinnittämiseen, väilyvän rivien tukemiseen ja sähköisten komponenttien kytkemiseen jakelukaapin kokonaisrakenteen stabiilisuuden varmistamiseksi.

Asennusmenetelmä: Pultti- tai hitsausliitäntä kaappiin.

Sähköturvallisuus: Sidostankojen suunnittelua tulisi harkita riittävän turvallisuusetäisyyden ylläpitämiseksi sähköistyneestä rungosta sähköpäästöilmiön esiintymisen estämiseksi.


Valintaopas

Valitse GGD -solmiotangon pituus kaapin koon mukaan.

Valitse paksuus kuormitusvaatimusten mukaisesti.

Galvanoitua versiota suositellaan syövyttäviin ympäristöihin.

Korkean estetiikan vaatimusta varten on saatavana räätälöity muovinen ruiskutusversio.

Ggd Tie RodGgd Tie RodGgd Tie RodGgd Tie RodGgd Tie RodGgd Tie RodGgd Tie RodGgd Tie RodGgd Tie RodGgd Tie RodGgd Tie RodGgd Tie RodGgd Tie RodGgd Tie RodGgd Tie RodGgd Tie RodGgd Tie RodGgd Tie RodGgd Tie RodGgd Tie Rod


Faq

K: Mitä voin tehdä, jos solmiotangot eivät teleskooppia sujuvasti?

V: Tarkista vieraiden esineiden tukkeutuminen.

Voitele liitokset tai kierteiset osat.

Vaihdetta vaaditaan, jos muodonmuutos tai vaurioitunut.


K: Onko mahdollista mukauttaa GGD -solmiotangon pituutta?

V: Tue räätälöity lukkotangon pituus ja halkaisija


K: Onko GGD -solmiotangot kestävä korkea lämpötila?

V: Tavallinen teräslämpötilan vastus on noin 200 ° C tai vähemmän.


K : Kuinka voin kertoa, onko solmiotanko vaurioitunut?

V: Tarkkaile näkyviä taivutuksia, halkeamia tai kuluneita kierteitä.

Rattling tai häiritseminen testauksen aikana voi olla sisäisiä rakenteellisia vaurioita


K: Mikä on GGD -solujen elinajanodote?

V: Käyttötaajuudesta, kuormituksesta ja ympäristöstä riippuen, jopa useita vuosia tai enemmän normaalilla kunnossapidolla.


Hot Tags: GGD -solmion sauva, Kiinan valmistaja, sähkökaapin laitteisto, Yitai -lukitustoimittaja, mukautettu tie sauvan tehdas
Aiheeseen liittyvä luokka
Lähetä kysely
Yhteystiedot
  • Osoite

    No. 16, Jingyun Road, Jingshan Industrial Park, Huanghua, Yueqing City, Zhejiangin maakunta, Kiina

  • Sähköposti

    [email protected]

Jätä meille sähköpostiosoitteesi, jos sinulla on kyselyjä laitteistosta, laitteistoa, laitteistokahvaa tai hinnastolista, ja olemme yhteydessä 24 tunnin sisällä.
X
Käytämme evästeitä tarjotaksemme sinulle paremman selauskokemuksen, analysoidaksemme sivuston liikennettä ja mukauttaaksemme sisältöä. Käyttämällä tätä sivustoa hyväksyt evästeiden käytön. Tietosuojakäytäntö
Hylätä Hyväksyä