Tuotteet
Vetovarsi
  • VetovarsiVetovarsi
  • VetovarsiVetovarsi
  • VetovarsiVetovarsi

Vetovarsi

Yitai Lock on luotettava vetotangon valmistaja teollisuuskaappisovelluksiin. Tätä vetotangoa voidaan käyttää kaappeissa, kuten jakelulaatikoilla ja kytkentälaitteissa. Lukituslevyn liitäntä lukitusmekanismiin helpottaa sekä ylä- että alaovien synkronoitua lukitusta, mikä parantaa turvallisuussuojaa ja varkauden vastaista suorituskykyä.

Ammattimaisena vetotangon valmistajana Yitai Lock tuottaa vankkoja ja luotettavia aktivointitangoja teollisuuskaapin mekanismeille. Tämä vetotanko voidaan räätälöidä sovittamaan erilaiset kaapin mitat (lukuun ottamatta pienempiä kokoja, jotka aiheutuvat työvoimakulut; muuten kustannukset lasketaan koon ja halkaisijan perusteella ilman räätälöintimaksuja). Se on yhteensopiva kaikkien kaappityyppien kanssa.

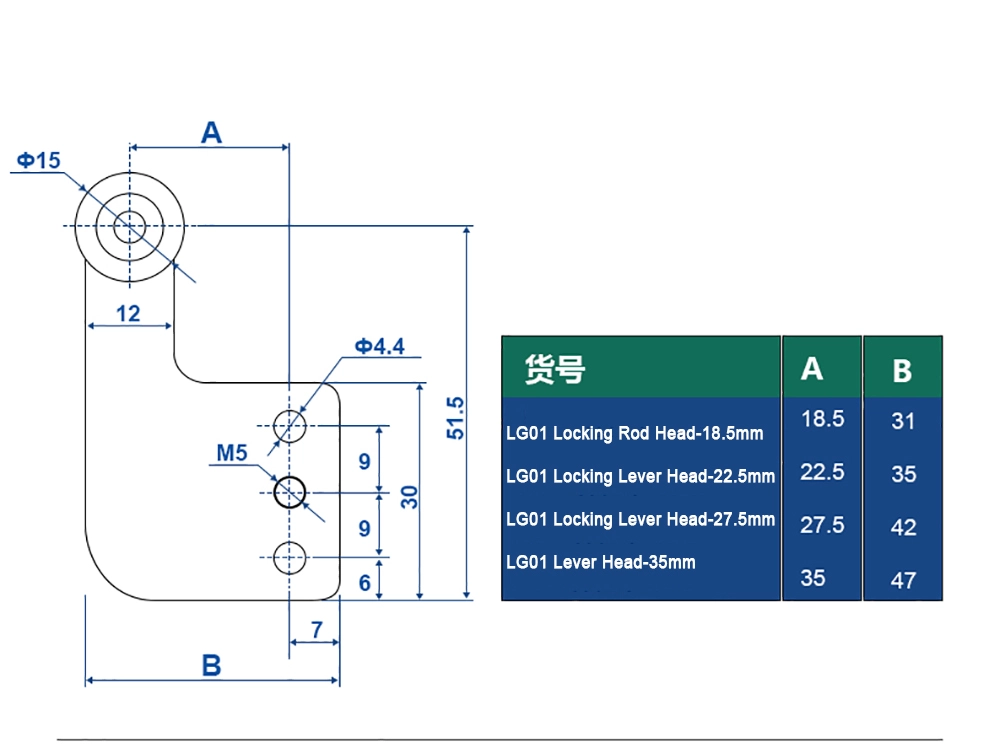
Tuotemalli LG -sarjan lukitusvipu
materiaalit Rauta
väri rauta
Tuoteominaisuudet Joustava kierto/sakeutunut paneeli/korroosio ja kestävä
Hakemus Jakelulaatikko/kaappi/kaappi/kaikenlaiset teollisuuslaatikot

Turvallisuus

Tämä vetotanko on valmistettu raudasta, joka tarjoaa hyvän mekaanisen lujuuden ja kestävyyden. Kun lukko on asennettu kaapin keskelle, vetotangon lisääminen parantaa turvallisuutta kaapin ylä- että alapäässä, mikä tarjoaa paremman luotettavuuden. Se soveltuu skenaarioihin, joissa on korkea turvallisuusvaatimukset ja estää vahingossa tapahtuvan toiminnan aiheuttamat laitteet.


Valinta

Mitat tarkasti kaapin korkeuden ja lukituspisteen asennot varmistaaksesi, että sauvan mitat vastaavat kaapia. Valitse sopiva halkaisija -määritelmä odotettavissa olevan toimintataajuuden perusteella.


Asennus ja huolto

Kun asennat vetotangon, kiinnitä ensin opaskomponentit ja kytke ne lukituslevyyn. On suositeltavaa kiristää mahdollisesti löysät ruuvit ja pitää vetotangon liikkuvat osat puhtaana. Levitä säännöllisesti sopiva määrä voiteluainetta.

Pull RodPull RodPull RodPull RodPull RodPull RodPull RodPull RodPull RodPull RodPull RodPull RodPull RodPull RodPull RodPull RodPull RodPull RodPull RodPull Rod


Faq

K: Mitkä ovat tämän lukituspalkin muokattavat pituusvaihtoehdot?

V: Voimme mukauttaa pituuksia erityisten vaatimusten perusteella, tyypillisesti välillä 300 - 2000 mm.


K: Voidaanko sitä käyttää epästandardien kaapin kappaleisiin?

V: Kyllä, tuemme epästandardia mukautuksia. Anna vain tarkat mitat.


K: Tarvitseeko asennus erikoistuneita työkaluja?

V: Vakiotyökalut ovat riittäviä asennusta varten.


K: Voiko se asentaa uudelleen useita kertoja?

V: Vahva muotoilu tukee toistuvaa purkamista ja uudelleenkokoonpanoa.


K: Voiko se muodonmuutos kuljetuksen aikana?

V: Suojattu pakkaus estää muodonmuutoksen normaalin kuljetuksen aikana. Kompensoit tai määrittelemme karkean käsittelyn aiheuttamat vahingot.



Hot Tags: Vetovarsi
Aiheeseen liittyvä luokka
Lähetä kysely
Yhteystiedot
  • Osoite

    No. 16, Jingyun Road, Jingshan Industrial Park, Huanghua, Yueqing City, Zhejiangin maakunta, Kiina

  • Sähköposti

    [email protected]

Jätä meille sähköpostiosoitteesi, jos sinulla on kyselyjä laitteistosta, laitteistoa, laitteistokahvaa tai hinnastolista, ja olemme yhteydessä 24 tunnin sisällä.
X
Käytämme evästeitä tarjotaksemme sinulle paremman selauskokemuksen, analysoidaksemme sivuston liikennettä ja mukauttaaksemme sisältöä. Käyttämällä tätä sivustoa hyväksyt evästeiden käytön. Tietosuojakäytäntö
Hylätä Hyväksyä